產品編號:GEC…HTL 320~1000
滑動磨擦副: 鋼/PTFE編織物
產品特點:外圈徑向分為兩半,用螺釘鎖緊,材料為碳鋼,磷化,球面粘貼PTFE編織物;內圈材料為軸承鋼,淬火,球面鍍硬鉻。
使用溫度范圍:-50℃~+150℃
????
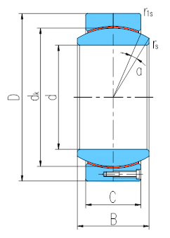
軸 承 型 號 Bearing number | 外 形 尺 寸 Dimensions mm | 額定載荷 Load ratings kN | 重 量 Weight ≈kg | ||||||||
d | D | B | C | dk | rs min | r1s min | α? ≈ | 動載荷 Dynamic | 靜載荷 Static | ||
GEC320HTL | 320 | 440 | 160 | 135 | 380 | 1.1 | 3 | 4 | 15390 | 25650 | 78 |
GEC340HTL | 340 | 460 | 160 | 135 | 400 | 1.1 | 3 | 3 | 16200 | 27000 | 83 |
GEC360HTL | 360 | 480 | 160 | 135 | 420 | 1.1 | 3 | 3 | 17010 | 28350 | 87 |
GEC380HTL | 380 | 520 | 190 | 160 | 450 | 1.5 | 4 | 4 | 21600 | 36000 | 129 |
GEC400HTL | 400 | 540 | 190 | 160 | 470 | 1.5 | 4 | 3 | 22560 | 37600 | 135 |
GEC420HTL | 420 | 560 | 190 | 160 | 490 | 1.5 | 4 | 3 | 23520 | 39200 | 141 |
GEC440HTL | 440 | 600 | 218 | 185 | 520 | 1.5 | 4 | 3 | 28860 | 48100 | 196 |
GEC460HTL | 460 | 620 | 218 | 185 | 540 | 1.5 | 4 | 3 | 29970 | 49950 | 204 |
GEC480HTL | 480 | 650 | 230 | 195 | 565 | 2 | 5 | 3 | 33050 | 55080 | 239 |
GEC500HTL | 500 | 670 | 230 | 195 | 585 | 2 | 5 | 3 | 34220 | 57030 | 248 |
GEC530HTL | 530 | 710 | 243 | 205 | 620 | 2 | 5 | 3 | 38130 | 63550 | 294 |
GEC560HTL | 560 | 750 | 258 | 215 | 655 | 2 | 5 | 4 | 42240 | 70410 | 345 |
GEC600HTL | 600 | 800 | 272 | 230 | 700 | 2 | 5 | 3 | 48300 | 80500 | 413 |
GEC630HTL | 630 | 850 | 300 | 260 | 740 | 3 | 6 | 3 | 57720 | 96200 | 538 |
GEC670HTL | 670 | 900 | 308 | 260 | 785 | 3 | 6 | 3 | 61230 | 102050 | 603 |
GEC710HTL | 710 | 950 | 325 | 275 | 830 | 3 | 6 | 3 | 68470 | 114120 | 703 |
GEC750HTL | 750 | 1000 | 335 | 280 | 875 | 3 | 6 | 3 | 73500 | 122500 | 790 |
GEC800HTL | 800 | 1060 | 355 | 300 | 930 | 3 | 6 | 3 | 83700 | 139500 | 933 |
GEC850HTL | 850 | 1120 | 365 | 310 | 985 | 3 | 6 | 3 | 91600 | 152670 | 1060 |
GEC900HTL | 900 | 1180 | 375 | 320 | 1040 | 3 | 6 | 3 | 99840 | 166400 | 1198 |
GEC950HTL | 950 | 1250 | 400 | 340 | 1100 | 4 | 7.5 | 3 | 112200 | 187000 | 1445 |
GEC1000HTL | 1000 | 1320 | 438 | 370 | 1160 | 4 | 7.5 | 3 | 128760 | 214600 | 1768 |
????